Universal ZIF DIP Test Socket – Series X55X

FEATURES

  • Aries Universal Test socket accepts devices on 0.300 to 0.600 [7.62 to 15.24]
    centers
  • All pin count sockets go into PCB with either 0.300 or 0.600 [7.62 to 15.24]
    centers
  • Contacts are normally closed to eliminate dependence on plastic to sustain
    contact
  • Socket handle can be configured with closed contacts (on) when in the UP
    or DOWN position, and can be mounted on either the right or left side
  • Sockets can be soldered into PCBs or plugged into any socket. Socket
    fits into Aries or any competitive test socket receptacle

Ordering information

Clear
  • SOCKET BODY: black UL 94V-0 glass-filled Polyphenylene Sulfide (PPS)
  • HANDLE: Stainless Steel
  • HANDLE KNOB: Brass 360, 1/2-hard
  • CONTACTS: BeCu 172 per QQ-C-533 –OR– Spinodal Alloy
  • BeCu CONTACT PLATING: 50µ [1.27µ] min. Ni under plate per QQ-N-290,
    over plated with either: -10 200µ [5.08µ] min. matte Sn per ASTM
    B545-97; or -10TL 200µ [5.08µ] min. 90/10 Sn/Pb per MIL-T-10727-11
    10µ [0.25µ] min. Au per MIL-G-45204
  • SPINODAL CONTACT PLATING: (for -16) 50µ [1.27µ] min. NiB
  • CONTACT CURRENT RATING: 1 amp
  • INSULATION RESISTANCE: 1000 MΩ min.
  • DIELECTRIC WITHSTANDING VOLTAGE: 1000 VAC
  • LIFE CYCLE: 25,000 to 50,000 cycles
  • OPERATING TEMPERATURE: -85°F to 221°F [-65°C to 105°C] Sn plating; 302°F [150°C] Au plating; 392°F [200°C] NiB plating
  • RETENTION FORCE (closed): 55g/pin based on a 0.020 [0.51] dia. test lead
  • ACCEPTS LEADS: 0.015-0.045 [0.38-1.14] wide, 0.110-0.280 [2.79-7.11] long
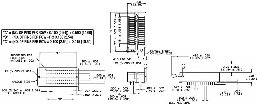
  • See Socket Footprint in the Drawings tab

ALL DIMENSIONS IN INCHES [MILLIMETERS]

ALL TOLERANCES ±0.005 [±0.13] UNLESS OTHERWISE SPECIFIED

“A” (# PINS PER ROW x 0.100 [2.54]) + 0.590 [14.99]
“B” (# PINS PER ROW -1) x 0.100 [2.54]
“C” (# PINS PER ROW x 0.100 [2.54]) + 0.415 [10.54]

CONSULT FACTORY FOR OTHER SIZES AND CONFIGURATIONS

PRINTOUTS OF THIS DOCUMENT MAY BE OUT-OF-DATE AND SHOULD BE CONSIDERED UNCONTROLLED

CUSTOMIZATION: In addition to the standard products shown on this page, Aries specializes in custom design and production. Special materials, platings, sizes, and configurations can be furnished, depending on quantity. NOTE: Aries reserves the right to change product specifications without notice.

Universal Zif Dip Test Socket

Can’t Find What You're Looking For?

We can provide you a quote for creating a custom product that fits all of your needs. Let us know exactly what you are looking for and we can make it!