Pin-Line™ Collet Socket with Wire Wrap Pins – Series 0503

FEATURES

  • Rows of socket strips may be mounted on any centers and are end-to-end or
    side-by-side stackable for 0.100 [2.54] grid or matrix patterns
  • Available with wire wrap or solder tail pins
  • For Solder Pin Tails, consult Data Sheet 12013
  • Break feature allows strips to be cut to the number of positions
    desired

Ordering information

Clear

Pin-Line™ Collet Socket also available with Solder Tail Pins. Consult Data Sheet 12013.

  • BODY MATERIAL: red UL 94-HB glass-filled Nylon – Consult
    factory
    for UL 94V-0 material
  • PIN BODY: Brass 360 1/2-hard per UNS C36000 ASTM B16-85
  • PIN BODY PLATING: either 10µ [0.25µ] min. Au per MIL-G-45204
    or 200µ [5.08µ] min. 93/7 Sn/Pb per MIL-P-81728 over 100µ [2.54µ]
    min. Ni per QQ-N-290
  • 4-FINGER COLLET CONTACT: BeCu per UNS C17200 ASTM B194-92
  • CONTACT PLATING: 30µ [0.76µ] min. Au per MIL-G-45204 over 50µ min.
    [1.27µ] Ni per QQ-N-290
  • CONTACT CURRENT RATING: 3 amps
  • OPERATING TEMPERATURE: 221°F [105°C] Sn plating; 257°F [125°C]
    Au plating
  • INSERTION FORCE: 180g/pin, based on 0.018 [0.46] dia. test lead
  • WITHDRAWAL FORCE: 90g/pin, based on 0.018 [0.46] dia. test lead
  • NORMAL FORCE: 140g/pin, based on 0.018 [0.46] dia. test lead
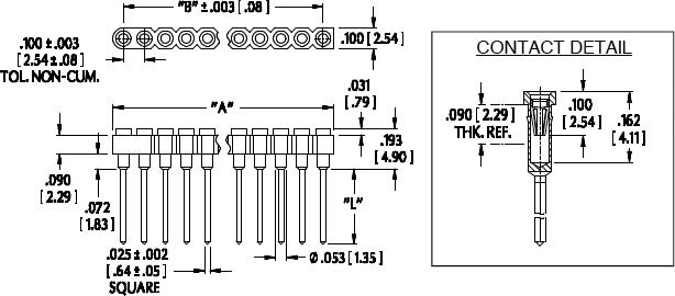
  • ACCEPTS LEADS: 0.015-0.025 [0.38-0.64] dia., 0.110-0.162 [2.79-4.11] long
  • SUGGESTED PCB HOLE SIZE: 0.045 ±0.002 [1.14 ±0.05] dia.

ALL DIMENSIONS IN INCHES [MILLIMETERS]

CONSULT FACTORY FOR OTHER SIZES & CONFIGURATIONS

ALL TOLERANCES ±0.005 [±0.13] UNLESS OTHERWISE SPECIFIED

“A” # PINS PER ROW x 0.100 [2.54]
“B” (# PINS PER ROW -1) x 0.100 [2.54]

PRINTOUTS OF THIS DOCUMENT MAY BE OUT-OF-DATE AND SHOULD BE CONSIDERED UNCONTROLLED

CUSTOMIZATION: In addition to the standard products shown on this page, Aries specializes in custom design and production. Special materials, platings, sizes, and configurations can be furnished, depending on quantity. NOTE: Aries reserves the right to change product specifications without notice.

Pin Line Collet Socket

 
Dim. “L”
2-level wire wrap
0.360 [9.14]
3-level wire wrap
0.500 [12.70]

Can’t Find What You're Looking For?

We can provide you a quote for creating a custom product that fits all of your needs. Let us know exactly what you are looking for and we can make it!