Oscillator Socket – P/N 1107741 and 1108800

FEATURES

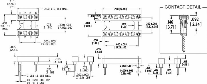
  • This 4-pin Oscillator Socket (in 14- and 8-position frames) accept standard oscillator packages
  • Designed to be end-to-end or side-to-side stackable
  • Machine insertable

Ordering information

Clear
  • BODY MATERIAL: black UL 94V-0 glass-filled 4/6 Nylon
  • PIN BODY: Brass 360 1/2-hard per UNS C36000 ASTM B16/B16M-05
  • PIN BODY PLATING: is 200µ [1.27µ] min. 93/7 Sn/Pb per ASTM B545 or 200µ [5.08µ] min
  • 4-FINGER COLLET CONTACT: BeCu per UNS C17200 ASTM B194-08
  • CONTACT PLATING: 10µ [0.25µ] min. Au per MIL-G-45204 over 50µ [1.27µ] min. Ni per SAE AMS-QQ-N-290B
  • CONTACT CURRENT RATING: 3 amps
  • OPERATING TEMPERATURE: 221°F [105°C]
  • INSERTION FORCE: 180g/pin, based on 0.018 [0.46] dia. test lead
  • WITHDRAWAL FORCE: 90g/pin, based on 0.018 [0.46] dia. test lead
  • NORMAL FORCE: 140g/pin, based on 0.018 [0.46] dia. test lead
  • ACCEPTS LEADS: 0.015-0.025 [0.38-0.64] dia., 0.100-0.146 [2.54-3.71] long
  • SUGGESTED PCB HOLE SIZE: 0.030 ±0.002 [0.76 ±0.05] dia.

ALL DIMENSIONS IN INCHES [MILLIMETERS]

CONSULT FACTORY FOR OTHER SIZES & CONFIGURATIONS

ALL TOLERANCES ±0.005 [±0.13] UNLESS OTHERWISE SPECIFIED

PRINTOUTS OF THIS DOCUMENT MAY BE OUT-OF-DATE AND SHOULD BE CONSIDERED UNCONTROLLED

CUSTOMIZATION: In addition to the standard products shown on this page, Aries specializes in custom design and production. Special materials, platings, sizes, and configurations can be furnished, depending on quantity. NOTE: Aries reserves the right to change product specifications without notice.

Can’t Find What You're Looking For?

We can provide you a quote for creating a custom product that fits all of your needs. Let us know exactly what you are looking for and we can make it!