SOIC-to-JEDEC TO Adapter

FEATURES

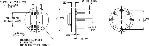
  • 8-position SOIC footprint on the top and a circular, 8-pin JEDEC TO can male pin footprint on the bottom. ICs now available only in 8-position SOIC packages can be readily mounted on boards having JEDEC TO thru-hole footprints without having to redesign the board
  • For Panelized Form or for mounting of consigned chips. Consult Factory

Ordering information

Clear
  • ADAPTER BOARD: FR-4, 0.062 [1.58] thick, with 1-oz. Cu traces both sides
  • MALE PIN: Brass 360 1/2-hard per UNS C36000, ASTM B16/B16M
  • MALE PIN PLATING: 200µ [5.08µ] Sn/Pb 93/7 ASTM B579-73 over 100µ [2.54µ] Ni per SAE AMS-QQ-N-290B
  • OPERATING TEMPERATURE: 221°F [105°C]
  • SUGGESTED PCB HOLE SIZE: 0.028 ±0.003 [0.71 ±0.08] dia.

ALL DIMENSIONS: INCHES [MILLIMETERS]

ALL TOLERANCES ±0.005 [0.13] UNLESS OTHERWISE SPECIFIED

DIP-to-TO ADAPTER ALSO AVAILABLE.ONSULT DATA SHEET 18012

CONSULT FACTORY FOR OTHER SIZES & CONFIGURATIONS

PRINTOUTS OF THIS DOCUMENT MAY BE OUT-OF-DATE AND SHOULD BE CONSIDERED UNCONTROLLED

CUSTOMIZATION: In addition to the standard products shown on this page, Aries specializes in custom design and production. Special materials, platings, sizes, and configurations can be furnished, depending on quantity. NOTE: Aries reserves the right to change product specifications without notice.

DIM. “C”
0.200 [5.08]
0.300 [7.62]
0.270 [6.85]

Can’t Find What You're Looking For?

We can provide you a quote for creating a custom product that fits all of your needs. Let us know exactly what you are looking for and we can make it!