PLCC-to-DIP Adapter – Series 352000 and 353000

FEATURES

  • Converts PLCC packaged ICs-to-DIP footprints
  • Ideal for prototyping and testing/evaluation
  • Available with PLCC sockets or PLCC pads on top side
  • For Panelized Form or for mounting of consigned ICs.

Ordering Information

Consult Factory

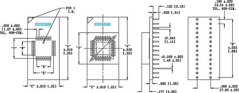
  • ADAPTER BODY: 0.062 [1.58] thick, FR-4 with 1-oz. Cu traces
  • PINS: Brass 360 1/2-hard per UNS C36000, ASTM B16/B16M
  • PIN PLATING: Sn/Pb 93/7 per ASTM B579-73 over 100µ [2.54µ] Ni per SAE AMS-QQ-N-290B
  • OPTIONAL PLCC SOCKET: UL 94V-0 PPS
  • SOCKET CONTACTS: Phosphor Bronze
  • SOCKET CONTACT PLATING: 200µ [5.08µ] Sn/Pb 93/7 per ASTM B579-73 over 50µ [1.27µ] Ni per SAE AMS-QQ-290
  • CURRENT RATING: 1 amp
  • OPERATING TEMPERATURE: 221°F [105°C]
  • SUGGESTED PCB HOLE SIZE: 0.028 ±0.003 [0.71 ±0.08] dia.
  • Will plug into standard IC socket
  • See Table for Pad Layout when mounting PLCC socket

ALL DIMENSIONS: INCHES [MILLIMETERS]

ALL TOLERANCES: ±0.005 [0.13] UNLESS OTHERWISE SPECIFIED

CONSULT FACTORY FOR OTHER SIZES AND CONFIGURATIONS

PRINTOUTS OF THIS DOCUMENT MAY BE OUT-OF-DATE AND SHOULD BE CONSIDERED UNCONTROLLED

CUSTOMIZATION: In addition to the standard products shown on this page, Aries specializes in custom design and production. Special materials, platings, sizes, and configurations can be furnished, depending on quantity. NOTE: Aries reserves the right to change product specifications without notice.

Pins
Dim. “X”
Dim. “B”
Dim. “C”
Dim. “D”
Dim. “W”
±0.003
[0.08]
non-cumulative
Dim. “X”
±0.003
[0.08]
non-cumulative
Dim. “Y”
±0.003
[0.08]
Dim. “Z”
±0.003
[0.08]
Pad
Size
20
1.100
[25.4]
0.900
[22.86]
0.500
[12.7]
0.500
[12.7]
0.200
[5.08]
0.200
[5.08]
0.350
| [8.89]
0.350
[8.89]
0.024×0.076
[0.61×1.93]
28
1.400
[35.56]
1.300
[33.02]
0.705
[17.91]
0.705
[17.91]
0.300
[7.62]
0.300
[7.62]
0.549
[13.95]
0.449
[11.41]
0.024×0.076
[0.61×1.93]

Can’t Find What You're Looking For?

We can provide you a quote for creating a custom product that fits all of your needs. Let us know exactly what you are looking for and we can make it!