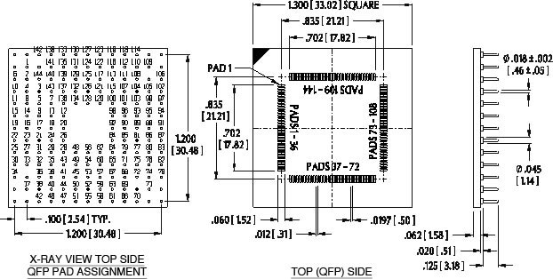
144-Pin VQFP-to-PGA Adapter – P/N 1110087

FEATURES

  • Convert surface-mount VQFP packages to a 13×13 PGA footprint
  • Reduce costs by using less-expensive QFP packages to replace PGA footprints in existing designs
  • Pins are mechanically fastened and soldered to board using Aries patented process, creating a reliable electrical connection and rugged contact
  • For Panelized Form or for mounting of consigned chips. Consult Factory

Ordering information

Clear

Specify P/N 144-PGM13095-30 for wire wrap PGA Socket which mates with this adapter.

  • ADAPTER BODY: FR-4 with 1-oz. Cu traces
  • PADS: ENIG (Au over Ni) plated to eliminate coplanarity concerns
  • PINS: Brass 360 1/2-hard per UNS C36000, ASTM B16/B16M
  • PIN PLATING: 200µ [5.08µ] Sn/Pb 93/7 per ASTM B579-73 over 100µ [2.54µ] Ni per SAE AMS-QQ-N-290B
  • OPERATING TEMPERATURE: 221°F [105°C]
  • SUGGESTED PCB HOLE SIZE: 0.028 ±0.003 [0.71 ±0.08] dia.
  • Will plug into standard PGA sockets

ALL DIMENSIONS: INCHES [MILLIMETERS]

ALL TOLERANCES: ±0.005 [0.13] UNLESS OTHERWISE SPECIFIED

ROW-TO-ROW ±0.003 [±0.08]
PIN-TO-PIN ±0.003 [±0.08] NON-CUMULATIVE

CONSULT FACTORY FOR OTHER SIZES AND CONFIGURATIONS

PRINTOUTS OF THIS DOCUMENT MAY BE OUT-OF-DATE AND SHOULD BE CONSIDERED UNCONTROLLED

CUSTOMIZATION: In addition to the standard products shown on this page, Aries specializes in custom design and production. Special materials, platings, sizes, and configurations can be furnished, depending on quantity. NOTE: Aries reserves the right to change product specifications without notice.

Can’t Find What You're Looking For?

We can provide you a quote for creating a custom product that fits all of your needs. Let us know exactly what you are looking for and we can make it!