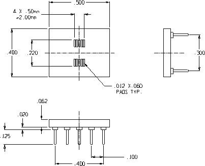
0.5mm 8- and 10-Pin MSOP-to-0.300″ DIP Adapter – P/N 1111841-X

FEATURES

  • A cost-effective means of upgrading to MSOP 0.5mm package SOIC without changing your PCB layout.
  • Available on 0.300 [7.62] centers

Ordering information

Clear
  • BOARD MATERIAL: 0.062 thick FR-4 with 1-oz. Cu traces, both sides
  • PINS: Brass 360 1/2-hard per UNS C36000, ASTM B16/B16M
  • PIN PLATING: 200µ [5.08µ] Sn/Pb 93/7 per ASTM B579-73 over 100µ [2.54µ] Ni per SAE AMS-QQ-N-290B
  • OPERATING TEMPERATURE: 221ºF [105ºC]
  • SUGGESTED PCB HOLE SIZE: 0.028 ±0.003 [0.71 ±0.08] dia.

ALL DIMENSIONS: INCHES [MILLIMETERS]

ALL TOLERANCES: ±0.005 [0.13] UNLESS OTHERWISE SPECIFIED

CONSULT FACTORY FOR OTHER SIZES AND CONFIGURATIONS

PRINTOUTS OF THIS DOCUMENT MAY BE OUT-OF-DATE AND SHOULD BE CONSIDERED UNCONTROLLED

CUSTOMIZATION: In addition to the standard products shown on this page, Aries specializes in custom design and production. Special materials, platings, sizes, and configurations can be furnished, depending on quantity. NOTE: Aries reserves the right to change product specifications without notice.

Can’t Find What You're Looking For?

We can provide you a quote for creating a custom product that fits all of your needs. Let us know exactly what you are looking for and we can make it!