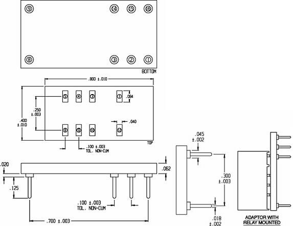
- BOARD MATERIAL: 0.062 thick FR-4 with 1-oz. Cu traces, both sides
- PINS: Brass 360 1/2-hard per UNS C36000, ASTM B16/B16M
- PIN PLATING: 200µ [5.08µ] 93/7 Sn/Pb per ASTM B579-73 over 100µ [2.54µ] Ni per SAE AMS-QQ-N-290B
- OPERATING TEMPERATURE: 221ºF [105ºC]

