Insert Plates for Universal PLCC ZIF Test Socket – Series 537

FEATURES

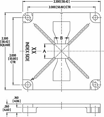
  • Seven separate Insert Plates are conveniently hand-inserted into Aries “Live
    Bug” Universal PLCC ZIF Test Socket
    to hold seven different
    sizes of PLCC footprints.
  • Four mounting holes (2 are bifurcated) mate with mounting post in socket
    base for a secure assembly

Ordering information

Clear
  • INSERT: black UL 94V-0 glass-filled Polyphenylene Sulfide (PPS)
  • OPERATING TEMPERATURE: -85°F to 500°F [-65°C to 260°C]
  • CONTACT BLOCK AND LATCH HINGE: available individually
  • SUGGESTED PCB HOLE SIZE: 0.035 ±0.002 [0.89 ±0.05] dia.

ALL DIMENSIONS: INCHES [MILLIMETERS]

ALL TOLERANCES: ±0.005 [0.13] UNLESS OTHERWISE SPECIFIED

USE P/N 1110832 WHEN ORDERING ALL SEVEN INSERT PLATES

PRINTOUTS OF THIS DOCUMENT MAY BE OUT-OF-DATE AND SHOULD BE CONSIDERED UNCONTROLLED

CUSTOMIZATION: In addition to the standard products shown on this page, Aries specializes in custom design and production. Special materials, platings, sizes, and configurations can be furnished, depending on quantity. NOTE: Aries reserves the right to change product specifications without notice.

No. Positions
Dim. “A”
Dim. “B”
20

0.395 to 0.397
[10.03 to 10.08]

0.395 to 0.397
[10.03 to 10.08]
28
0.495 to 0.497
[12.57 to 12.62]
0.495 to 0.497
[12.57 to 12.62]
32
0.495 to 0.497
[12.57 to 12.62]
0.595 to 0.597
[15.11 to 15.16]
44
0.695 to 0.697
[17.65 to 17.70]
0.695 to 0.697
[17.65 to 17.70]
52
0.795 to 0.797
[20.19 to 20.24]
0.795 to 0.797
[20.19 to 20.24]
68
0.995 to 0.997
[25.27 to 25.32]
0.995 to 0.997
[25.27 to 25.32]
84
1.195 to 1.197
[30.35 to 30.40]

1.195 to 1.197
[30.35 to 30.40]

Insert Plates for Universal Plcc Zif Test Socket

Can’t Find What You're Looking For?

We can provide you a quote for creating a custom product that fits all of your needs. Let us know exactly what you are looking for and we can make it!