Open Frame Collet Surface Mount Socket – Series 518

FEATURES

  • Open-frame allows for more efficient utilization of board space and better cooling
  • Compatible with automatic insertion equipment
  • Side-to-side and end-to-end stackable

Ordering information

Clear

Other Collet Pins are available. Consult Data Sheet 12016 for solder tail pins and Data Sheet 12017 for Wire Wrap Pins. For Open-Frame Capacitor Sockets, see Data Sheets 12026 and 12027.

  • BODY MATERIAL: black UL 94V-0 glass-filled 4/6 Nylon
  • PIN BODY: Brass 360 1/2-hard per UNS C36000 ASTM B16/B16M-05
  • PIN BODY PLATING: either 200µ [5.08µ] min. 93/7 Sn/Pb per ASTM B545 or 200µ [5.08µ] min. Sn per ASTM B545 Type 1 over 100µ [2.54µ] min. Ni per SAE AMS-QQ-N-290B
  • 4-FINGER COLLET CONTACT: BeCu per UNS C17200 ASTM B194-08
  • CONTACT PLATING: 10µ [0.25µ] Au per MIL-G-45204 over 50µ min [1.27µ] Ni per SAE AMS-QQ-N-290B
  • CONTACT CURRENT RATING: 3 amps
  • OPERATING TEMPERATURE: -67°F to 221°F [-55°C to 105°C]
  • INSERTION FORCE: 180g/pin, based on 0.018 [0.46] dia. test lead
  • WITHDRAWAL FORCE: 90g/pin, based on 0.018 [0.46] dia. test lead
  • NORMAL FORCE: 140g/pin, based on 0.018 [0.46] dia. test lead
  • ACCEPTS LEADS: 0.015-0.025 [0.38-0.64] dia., 0.100-0.125 [2.54-3.18] long
  • SUGGESTED PCB PAD SIZE: 0.063 [1.60] dia.

ALL DIMENSIONS IN INCHES [MILLIMETERS]

CONSULT FACTORY FOR OTHER SIZES & CONFIGURATIONS

ALL TOLERANCES ±0.005 [±0.13] UNLESS OTHERWISE SPECIFIED

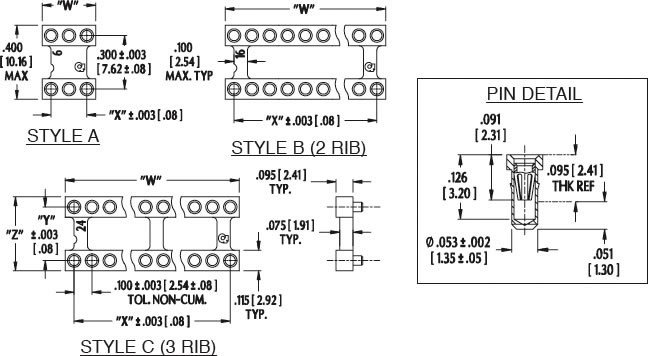
“W” (# PINS PER ROW) x 0.100 [2.54]
“X” (# PINS PER ROW -1) x 0.100 [2.54]

PRINTOUTS OF THIS DOCUMENT MAY BE OUT-OF-DATE AND SHOULD BE CONSIDERED UNCONTROLLED

CUSTOMIZATION: In addition to the standard products shown on this page, Aries specializes in custom design and production. Special materials, platings, sizes, and configurations can be furnished, depending on quantity. NOTE: Aries reserves the right to change product specifications without notice.

Open Frame Collet Surface Mount Socket

Frame Style
# Ribs
Centers “Y”
Dim. “Z”
Available Sizes
A
1
0.300 [7.62]
0.400 [10.16]
6
B
2
0.300 [7.62]
0.400 [10.16]
8, 14, 16, 18, 20
0.400 [10.16]
0.500 [12.70]
20, 22
0.300 [7.62]
0.400 [10.16]
24, 28
C
3
0.400 [10.16]
0.500 [12.70]
24
0.600 [15.24]
0.700 [17.78]
24, 28, 32

Can’t Find What You're Looking For?

We can provide you a quote for creating a custom product that fits all of your needs. Let us know exactly what you are looking for and we can make it!