14 to 28 Pins SOWIC-to-DIP Adapter – Series 35W000

FEATURES

  • A cost-effective means of upgrading to SOIC without changing your PCB layout
  • Available on 0.300 [7.62] centers
  • For Adapters on 0.400 [10.16] or 0.600 [15.24] centers, consult Data Sheet 18011

Ordering information

Clear

Available in panelized form with or without customer supplied devices mounted. Consult factory.

  • BOARD MATERIAL: 0.062 thick FR-4 with 1-oz. Cu traces, both sides
  • PINS: Brass 360 1/2-hard per UNS C36000 ASTM-B16-00
  • PIN PLATING: Sn/Pb 93/7 per ASTM B 545 over 100µ [2.54µ] Ni per SAE AMS-QQ-N-290B
  • OPERATING TEMPERATURE: 221°F [105°C]

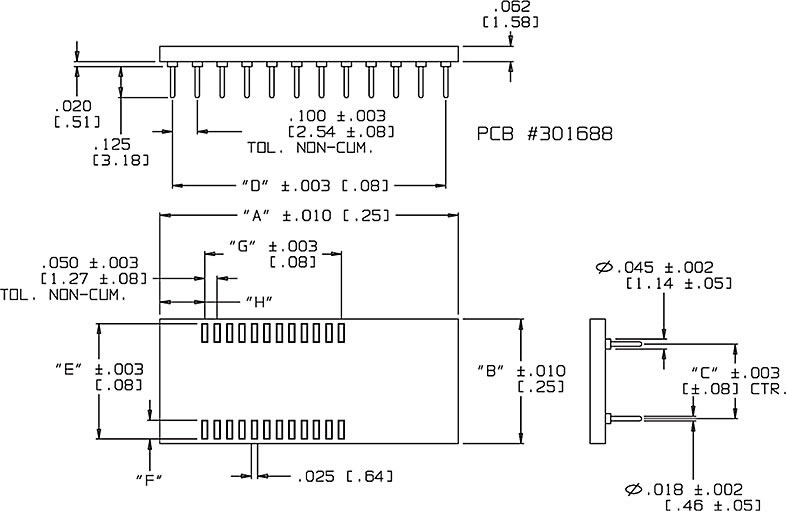
SUGGESTED PCB HOLE SIZE: 0.028 ±0.003 [0.71 ±0.08] dia.

ALL DIMENSIONS: INCHES [MILLIMETERS]

ALL TOLERANCES: ±0.005 [0.13] UNLESS OTHERWISE SPECIFIED

“A” = NO. OF PINS PER ROW x 0.100 [2.54]
“D” = (NO. OF PINS PER ROW -1) x 0.100 [2.54]

AVAILABLE IN PANELIZED FORM WITH OR WITHOUT CUSTOMER-SUPPLIED DEVICES MOUNTED. CONSULT FACTORY.

CONSULT FACTORY FOR OTHER SIZES AND CONFIGURATIONS

PRINTOUTS OF THIS DOCUMENT MAY BE OUT-OF-DATE AND SHOULD BE CONSIDERED UNCONTROLLED

CUSTOMIZATION: In addition to the standard products shown on this page, Aries specializes in custom design and production. Special materials, platings, sizes, and configurations can be furnished, depending on quantity. NOTE: Aries reserves the right to change product specifications without notice.

Sowic to Dip Adapter

P/N
Pins
Type
Dim. “B”
Centers “C”
Dim. “E”
Dim. “F”
Dim. “G”
Dim. “H”
14-35W000-10
14
SOIC
0.500 [12.7]
0.300 [7.62]
0.465 [11.81]
0.076 [1.93]
0.500 [12.70]
0.180 [4.57]
16-35W000-10
16
SOIC
0.500 [12.7]
0.30 [7.62]
0.465 [11.81]
0.076 [1.93]
0.550 [13.97]
0.180 [4.57]
18-35W000-10
18
SOIC
0.500 [12.7]
0.300 [7.62]
0.465 [11.81]
0.076 [1.93]
0.550 [13.97]
0.180 [4.57]
20-35W000-10
20
SOIC
0.500 [12.7]
0.300 [7.62]
0.465 [11.81]
0.076 [1.93]
0.550 [13.97]
0.180 [4.57]
24-35W000-10
24
SOIC
0.500 [12.7]
0.300 [7.62]
0.465 [11.81]
0.076 [1.93]
0.550 [13.97]
0.180 [4.57]
28-35W000-10
28
SOIC
0.500 [12.7]
0.300 [7.62]
0.465 [11.81]
0.076 [1.93]
0.550 [13.97]
0.180 [4.57]

Can’t Find What You're Looking For?

We can provide you a quote for creating a custom product that fits all of your needs. Let us know exactly what you are looking for and we can make it!