Universal SOIC ZIF Test Socket – Series 547

FEATURES

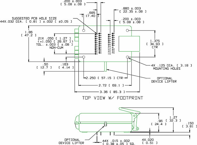
  • Devices with up to 44 pins can be inserted without bending or otherwise damaging the legs, since no force is required to either insert or remove the component from the socket
  • Accepts SOIC Gull-wing and J-lead devices, up to 44 pins on 0.050 [1.27] lead
    pitch, body widths from 0.150 to 0.600 [3.81 to 15.24]
  • Optional device lifter for easy package removal

INSTRUCTION FOR CHANGING/ADJUSTING SOCKET INSERTS

Ordering information

Clear
  • BODY MATERIAL: black UL 94V-0 glass-filled Polyphenylene Sulfide (PPS)
  • CONTACTS: BeCu 172 per QQ-C-533
  • CONTACT PLATING: 20µ [0.51µ] min. Au per MIL-G-45204 over 100µ [2.54µ]
    min. Ni per QQ-N-290 over 20µ [0.51µ] min. Cu per MIL-C-14550
  • HARDWARE: Stainless Steel
  • CONTACT CURRENT RATING: 1 amp
  • OPERATING TEMPERATURE: 257°F [125°C]

See Drawings tab

ALL DIMENSIONS: INCHES [MILLIMETERS]

ALL TOLERANCES: ±0.005 [0.13] UNLESS OTHERWISE SPECIFIED

SEE DATA SHEET 10020 FOR
SOCKET SETUP PER DEVICE USED OR REQUEST SALES DRAWING 1109450

SOIC to 0.600 [15.24] DIP ADAPTER AVAILABLE. CONSULT DATA SHEET 10016

PRINTOUTS OF THIS DOCUMENT MAY BE OUT-OF-DATE AND SHOULD BE CONSIDERED UNCONTROLLED

CUSTOMIZATION: In addition to the standard products shown on this page, Aries specializes in custom design and production. Special materials, platings, sizes, and configurations can be furnished, depending on quantity. NOTE: Aries reserves the right to change product specifications without notice.

Universal Soic Zif Test Socket

Can’t Find What You're Looking For?

We can provide you a quote for creating a custom product that fits all of your needs. Let us know exactly what you are looking for and we can make it!