CSP/µBGA Test & Burn-in Socket for Devices up to 40mm Square

FEATURES

  • Aries unique universal socketing system allows the socket to be easily configured for any package, on any pitch (or multiple pitch) from 0.2mm or greater, in any configuration, with little or no tooling charge or extra lead-time.
  • For Test & Burn-In of CSP, µBGA, Bump-Array, QFN, QFP, MLF, DFN, SSOP, TSSOP, TSOP, SOP, SOIC, LGA, LCC, PLCC, TO and any SMT package style made. Also can be compatible with PGA packaged devices.
  • Quick and Easy Probe Replacement System: the complete set of probes can be removed and a new set (interposer) can be inserted quickly and easily. The old set can be returned to the factory for repair and sent back within one day.
  • 4-point crown insures “scrub” on solder oxides.
  • Single Point Probes available for small land area contact pads.
  • Signal path during test only 0.077 [1.96].
  • Socket is easily mounted and removed to & from the BIB due to solderless pressure mount compression Spring-Probes which are accurately located by 2 molded plastic alignment pins and mounted with 4 stainless steel screws.
  • The Au over Ni-plated compression Spring-Probes leave very small witness marks on the bottom surface of the device solder balls.
  • Standard molded socket format can accommodate any device package of 40mm or smaller.
  • Pressure pad compression spring provides proper force against device and allows for height variations in device thickness.

Ordering Information

Easy-to-use Worksheet and Upload Form

Need a Breakout Board?

SPECIAL THERMAL REQUIREMENT WORKSHEET

  • MOLDED SOCKET COMPONENTS: UL 94V-0 PEEK and/or Ultem
  • 1dB BANDWIDTH: 1GHz (0.80mm pitch) (large probe)
  • ESTIMATED CONTACT LIFE: 500,000 cycles
  • COMPRESSION SPRING-PROBES: heat-treated BeCu with 30µ min. [0.75µ] Au per MIL-G-45204 over 30µ min. [0.75µ] Ni per SAE AMS-QQ-N-290B
  • CONTACT FORCE…
    : 6g per contact on 0.20-0.29mm pitch
    : 15g per contact on 0.30-0.35mm pitch
    : 16g per contact on 0.40-0.45mm pitch
    : 25g per contact on 0.50-0.75mm pitch
    : 25g per contact on 0.80mm pitch or larger
  • OPERATING TEMPERATURE: -55°C [-67°F] min. to 150°C [302°F] max.
  • ALL HARDWARE: Stainless Steel
  • TYPICAL BURN-IN TEMPERATURE: 150°C max.
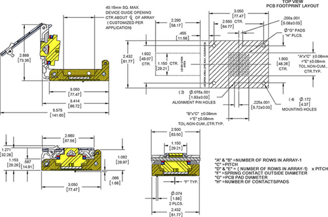
  • See “PCB FOOTPRINT TOP VIEW” for requirements
  • Sockets must be handled with care when mounting or removing sockets to/from PCB
  • TEST PCB MINIMUM DIAMETER “G”…
    : 0.025 [0.64] (large probe 0.80mm pitch and larger)
    : 0.015 [0.38] (small probe 0.50-0.79mm pitch)
    : 0.012 [0.31] (small probe 0.40-0.49mm pitch)
    : 0.009 [0.23] (small probe 0.30-0.39mm pitch)
    : 0.004 [0.10] (small probe 0.20-0.29mm pitch)
  • TEST PCB DIA. SPRING-PROBE PAD PLATING: 30µ min. [0.75µ] Au per MIL-G-45204 over 30µ [0.75µ] min. Ni per SEA AMS-QQ-N-290. Pad must be the same height as top surface of PCB. Please refer to the Custom Socket Drawing supplied by Aries after receipt of your order for your specific application.
  • Some applications may require a Backup Plate.

ALL DIMENSIONS: INCHES [MILLIMETERS]

ALL TOLERANCES: ±0.005 [0.13] UNLESS OTHERWISE SPECIFIED

CONSULT FACTORY FOR OTHER SIZES AND CONFIGURATIONS

PRINTOUTS OF THIS DOCUMENT MAY BE OUT-OF-DATE AND SHOULD BE CONSIDERED UNCONTROLLED

CUSTOMIZATION: In addition to the standard products shown on this page, Aries specializes in custom design and production. Special materials, platings, sizes, and configurations can be furnished, depending on quantity. NOTE: Aries reserves the right to change product specifications without notice.

csp-micro-bga-test-burn-in-socket-dwg
spring-probes

Can’t Find What You're Looking For?

We can provide you a quote for creating a custom product that fits all of your needs. Let us know exactly what you are looking for and we can make it!