High-Frequency Center Probe Test Socket for Devices up to 27mm Square

FEATURES

  • Aries unique universal socketing system allows the socket to be easily configured for any package, on any pitch (or multiple pitch) from 0.2mm or greater, in any configuration, with little or no tooling charge or extra lead-time.
  • For Test & Burn-In of CSP, µBGA, Bump-Array, QFN, QFP, MLF, DFN, SSOP, TSSOP, TSOP, SOP, SOIC, LGA, LCC, PLCC, TO and any SMT package style made. Also can be compatible with PGA packaged devices.
  • Quick and Easy Probe Replacement System: the complete set of probes can be removed and a new set (interposer) can be inserted quickly and easily. The old set can be returned to the factory for repair and sent back within one day.
  • Pressure mounting, no soldering required.
  • 4-point crown insures “scrub” on solder balls, raised tip provides “scrub” on pads.
  • Signal path during test only 0.077 [1.96].
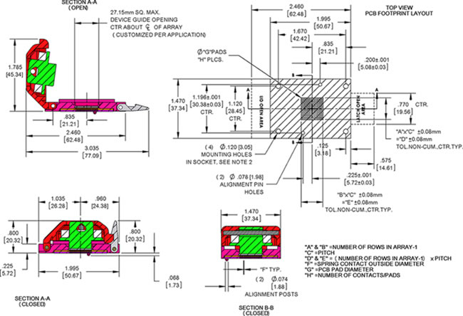
  • Accommodates any package up to 27mm square.
  • Small overall socket size/profile allows max. number of sockets per BIB and BIBs per oven, while being operator-friendly.

Ordering Information

A detailed device drawing must be sent to Aries to quote and design a socket.
Easy-to-use Worksheet and Upload Form

NEED A BREAKOUT BOARD?

SPECIAL THERMAL REQUIREMENT WORKSHEET

  • MOLDED SOCKET COMPONENTS: UL 94V-0 PEEK and/or Ultem
  • PIN INDUCTANCE: 0.51nH (large probe)
  • CONTACT RESISTANCE: <40mΩ
  • 1dB BANDWIDTH: 10.1GHz (0.80mm pitch) (large probe)
  • ESTIMATED CONTACT LIFE: 500,000 cycles
  • COMPRESSION SPRING-PROBES: heat-treated BeCu with 30µ min. [0.75µ] Au per MIL-G-45204 over 30µ min. [0.75µ] Ni per SAE AMS-QQ-N-290B
  • CONTACT FORCE…
    : 6g per contact on 0.20-0.29mm pitch
    : 15g per contact on 0.30-0.35mm pitch
    : 16g per contact on 0.40-0.45mm pitch
    : 25g per contact on 0.50-0.75mm pitch
    : 25g per contact on 0.80mm pitch or larger
  • OPERATING TEMPERATURE:-55°C [-67°F] min. to 150°C [302°F] max.
  • ALL HARDWARE: Stainless Steel
  • SOCKET: mounted with four #4-40 screws (to be removed at time of socket mounted to PCB) or a tapped, insulated backing plate to be used on underside of PCB for high pin count applications
  • NOTE: Sockets must be handled with care when mounting or removing sockets to/from PCB
  • TEST PCB MINIMUM DIAMETER “G”…
    : 0.025 [0.64] (large probe 0.80mm pitch and larger)
    : 0.015 [0.38] (small probe 0.50-0.79mm pitch)
    : 0.012 [0.31] (small probe 0.40-0.49mm pitch)
    : 0.009 [0.23] (small probe 0.30-0.39mm pitch)
    : 0.004 [0.10] (small probe 0.20-0.29mm pitch)
  • TEST PCB DIA. SPRING-PROBE PAD PLATING: 30µ min. [0.75µ] Au per MIL-G-45204 over 30µ [0.75µ] min. Ni per SEA AMS-QQ-N-290. Pad must be the same height as top surface of PCB. Please refer to the Custom Socket Drawing supplied by Aries after receipt of your order for your specific application.
  • Some applications may require a Backup Plate. See Data Sheet 23018 for more information.

ALL DIMENSIONS IN INCHES [MILLIMETERS]

CONSULT FACTORY FOR OTHER SIZES & CONFIGURATIONS

ALL TOLERANCES ±0.005 [±0.13] UNLESS OTHERWISE SPECIFIED

DETAILED DEVICE DRAWING MUST BE SENT TO ARIES TO QUOTE AND DESIGN A SOCKET

PRINTOUTS OF THIS DOCUMENT MAY BE OUT-OF-DATE AND SHOULD BE CONSIDERED UNCONTROLLED

CUSTOMIZATION: In addition to the standard products shown on this page, Aries specializes in custom design and production. Special materials, platings, sizes, and configurations can be furnished, depending on quantity. NOTE: Aries reserves the right to change product specifications without notice.


Spring Probes

Can’t Find What You're Looking For?

We can provide you a quote for creating a custom product that fits all of your needs. Let us know exactly what you are looking for and we can make it!